A new idea to obtain clean fusion energy         

Home  Introduction  Calculations  Videos  Facebook  Contact   Sitemap

 Confinement of positive ions and electrons with a static electric and magnetic field

Experiments with a glass bottle vacuum chamber

Back to main page

Droom17.htm  Droom17.1.htm  Real experiments 17.2  Droom17.3.htm   Droom7.4.htm  Droom17.5.htm .Droom17.6.htm  Droom17.7.htm  
.Droom17.8.htm  Droom17.9.htm  Droom17.10.htm  .Droom17.11.htm  .Droom17.12.htm  Droom18.htm Convert vacuum units.xlsx

Summary

Goals
 

First: emit electrons in a vacuum chamber and confine them, as far as possilbe, in an electric field (although they will escape sidewards). Try to see the trayectories of the electrons.

Second: confine the electrons in an electric and in a magnetic field.

Third: introduce deuterium ions in the vacuum chamber and investigate if they are atracted by the confined electrons cloud in the centre of the vacuum chamber, and if they, maybe, fuse with each other...

As vacuum chamber I will use, for the moment, a glass bottle.

As electron emitter I will use, first, a filament of a small incandescent lamp and later, a filamente of a compact fluorescent lamp

 

First experiment

Droom17.7.htm

The electric field penetrates though the glass of the bottle, if the bottle is isolated.

see Droom17.6.htm  and Youtube: experiments with electroscope


Bottle with argon gas and the 2 stage rotary vacuum pump Vevor 2KQ-2G
Only pumping at the manometers it reached 9 micron.


CX-300B  -3 kV .. - 30 kV
 

Youtube; first experiment

This ray/glow was seen during about 3 seconds, with the high voltage output at - 17 kV
I still not had a digital vacuum meter. The glycerine vacuum meter was not so accurate, vacuum was about - 29,2 InHg, but the vacuum was not good.

 

Second experiment

Droom17.7.htm

Experimental setup same as in the first experiment. (also the same cap and hose)
The first ring and the base of the lamp/filament are now charged with about - 14 kV
The second ring is grounded.
I received the new digital vacuum meter, and can now measure more accurately the pressure.

Vacuum > 225 micron, leaking
The ray/glow was seen durng about 10 seconds. The filament burned.

Youtube: second experiment

 

Third experiment

Droom17.7.htm

Experimental setup same as in the first experiment. (also the same cap and hose)
The base and the first ring connected to the high voltage, the second ring grounded.

With the pump on and pumping, vacuum = 260 micron (- 29,911 Inhg), hv = about -14 kV / position 4, with this high voltage the bigest effect (ray/glow) is seen

Electron Beam in Argon Glow – Experimental Observation

In this experiment, a narrow beam of electrons was produced inside a small glass vacuum chamber filled with low-pressure argon gas (about 260 microns). The cathode consists of a heated filament connected to −14 kV and a ,metal ring just behind the filament located outside the vacuum chamber, while the anode is a grounded metal ring placed 25 centimeters away and also located outside the vacuum chamber.

The violet glow seen in the photo corresponds to argon emission lines excited by electron impact. Near the filament, electrons are emitted and accelerated forward, forming a well-defined glowing column. The bright spot on the opposite side marks where the electrons strike the glass wall, producing characteristic argon fluorescence.

The discharge is stable and quiet, indicating a balance between electron energy and gas density. At higher voltages, the glow tends to collapse, likely due to local space-charge effects that screen the accelerating field.

This setup demonstrates how a focused electron beam can be formed and visualized in a simple static configuration — a first step toward understanding charged particle confinement in the Static Electromagnetic Fusor (Sem Fusor) concept.

Photo and experiment by Rinze Joustra, 2025.

Youtube: third experiment

The vacuum was about 260 micron, with the pump running. With about - 14 kV the ray/glow stayed more or less stable.

Fourth experiment   

Droom17.8

Experimental setup same as in the first experiment. (changed cap and hose, made new ones)
The base and the first ring connected to the high voltage, the second ring grounded.
After about 16 minutes the vacuum reached 37,6 micron.
After starting the experiment the vacuum started leaking.


 

 


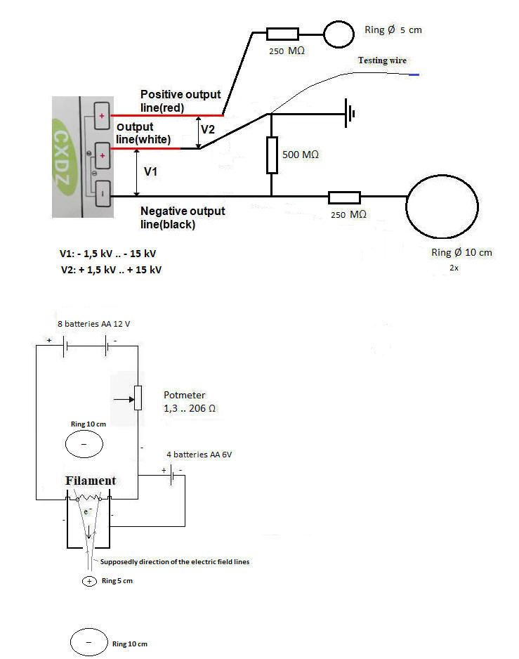
The electrical scheme.

24-2-2026   Measure current between - hv black outlet - multimeter  - 500 M ohm  - earth :  position 1 = 2,3 μ A , position 2 = 4,8 μ A -> there is a small leak current, necessary for the hv supply (without leak current it can damage)  pos.1 -> 1,5 kV  I = 1,5 E3 / 500E6 = 3E-6 A = 3  μ A, so more or less the same as measured.

Youtube: fourth experiment


More experiments

Droom17.9.htm

Both rings at - 30 kV (base lamp not connected to high voltage)
I made some more photos with different pressures. Between 41 and 950 micron a bluish glow was seen (but not exluding other pressures).
The small lamp switched on or off made , as far as I  could see, no difference.
Deepest vacuum was 33,7 microns. Below 75 microns the bluish glow got dimmer.

AI: Gas emits light in a strong electric field, a process known as electric discharge or gas discharge. The field accelerates free electrons, which collide with gas atoms/molecules, exciting them to higher energy levels. As these excited atoms return to lower energy states, they emit light.

Key Aspects of Gas Emission in Electric Fields:

Mechanism: The strong electric field accelerates free electrons. These high-energy electrons collide with gas molecules, transferring energy and creating excited (high-energy) states.
Emission: Excited molecules return to a lower energy state (ground state) by releasing the excess energy as light, often in the visible spectrum.

Color Specificity: The color of the light depends on the gas's atomic structure (e.g., neon glows red-orange, argon glows purple-blue).

Examples: This principle is used in neon signs, plasma tubes, and fluorescent lamps.

Conditions: A strong field is needed to ionize the gas, often at low pressure, which allows the electrons to gain enough speed before colliding with another atom.

This phenomenon is essentially the creation of a plasma, where the gas becomes ionized and conductive, releasing energy in the process

In discharge lamps there is an anode and a cathode. Here there are neither an anode nor a cathode, only two charged rings outside the vacuum bottle. (?)

I think that (perhaps) the base of the lamp connected to the vacuum hose works as an anode and a tiny amount of electrons travels from the charged rings to the glass.

I tested before also acrylic and wood with an electroscope. See Youtube: experiments with electroscope Now I tested a vacuum hose.
Result: the vacuum hose conducts a little electricity if high voltage is applied (the electroscope blades get charged, move, touch the glass, discharge and close, get charged again..).

--------------------------


Now the first ring is charged at - 30 kV and the other ring is earthed a placed in the centre of the vacuum bottle.
 



The lamp on or off made, apparently, now difference. A bluish glow was seen, with pressures between 68 and 562 microns (not exluding higher pressures).
With 50 microns almost no glow was seen. (note: the capture time was now 10 s, before 20 s)

 


Wrapped some aluminum foil around the neck of the bottle and connected this to the first ring, just trying out..

 

Lamp on or off made apparently now difference. Pressure between 58 and 637 microns. A bluish glow was seen, brighter than before, probaby because now more energy (more electrons) is coming in
the vacuum bottle, because the negatively charged aluminum foil makes now direct contact with the glass bottle.


With - 30 kV (the first ring and the aluminum foil), a more or less constant spark was formed between the glass bottle and the earthed ring. The glow was also brighter.

-----------------------------------


Now the first and second ring and the base of the lamp are connected to the high voltage.


2026-01-23 Experiment.mp4

More or less with this high voltage and this pressure there was more or less a constant bluish glow.
The glow was a lot brighter than before (when only the rings charged). My explanation: via the base of the lamp a lot more electrons are pumped inside the vacuum bottle, more energy, so more light is produced.
Unfortunately there occured suddenly a vacuum leakage, just when I switched off the lamp. Coincidence?
I found out that the vacuum leak always occured when I connected the base of the lamp to the high voltage.
First I thought that the leakage occured in the cap/syntetic corch. But when I used an old vacuum hose (cutting the supposedly deteriorated cap from it), connecting a new cap to it, it leaked...
So the leakage occured in the vacuum hose/coupling vacuum hose (although I do not excude leaking in the cap/corch as well).
What could have happened, according my hypothesis: the base of the lamp is connected to - 3 till - 30 kV. Electrons are expelled from this base, the cathode, and the residual gas in the vacuum bottle is ionized. The glass of the bottle is charged negatively?  When using a earthed ring a spark was produced between the glass bottle and the earthed ring, see before, so effectively the glass is/can be charged.

-----------------------------

I will now use a filament of a  CFL  (compact fluorescent lamp), this filament is  coated with barium oxide emitter paste.

AI:

Filaments in Compact Fluorescent Lamps (CFLs) are efficient electron emitters because they are designed for thermionic emission, utilizing a specialized coating to release large numbers of electrons at relatively low temperatures.
 

Here is why they are effective:
  • Barium Oxide Coating: The tungsten filaments are coated with a mixture of alkaline earth oxides, typically barium oxide (BaO), which acts as a low-work-function material. This coating requires less heat to release electrons compared to bare metal filaments.
  • Thermionic Emission Mechanism: When the lamp is turned on, the filament heats up rapidly and, due to the coating, emits a high density of electrons into the tube, initiating the ionization of the mercury vapor.
  • Coiled-Coil Structure: The filaments use a "coiled-coil" or "triple-coiled" structure, which increases the surface area for the emission coating, further enhancing electron output.
  • Controlled Heating: The electronic ballast provides a specific "kick-start" to heat the electrode, enabling it to emit electrons efficiently, after which it functions as a cathode to maintain the arc.
This process allows the CFL to create a high-density stream of electrons that strike mercury atoms, producing UV light, which the phosphor coating then converts into visible light.

 

 

More experiments

Made again a new cap + vacuum hose.


The two rings connected to the high voltage.

I made several more photos, a bluish glow was seen, it did apparently not make difference if the lamp/filamente was switched on or off.

Now the base of the lamp is not connected to the high voltage, the vacuum (hose, cap) has not been deteriorated.

Droom17.10.htm

I moved the bottle to the right. Distance between the rings is the same, 24 cm. The filament is now 5,8 cm right from the centre of the first ring.
At this distance the electric field of the ring with diameter 10 cm is more or less the stongest, according my simulation program.

I did some experiments and made some photos, the results are simular as before, only a bluish glow was seen, independent of the filamente being on or off.

Also I  did experiments with the centre ring grounded, and made several photos, with different pressures. The results wer simular as before, see under.


The color here is more pink, due to the residual argon (I suppose). Curious is this color distribution, more brighter near the wall of the bottle. Sometimes this distribution appeared.
During the experiments, when I switched off the high voltage, the glow disappeared. When I switched on again the high voltage, more or less till - 30 kV, sometimes it took some time
before the glow started. It could be that switching off and on the small lamp could have any influence, but I am not sure. I moved also a small magnet near the bottle. I saw some movement
of the pink/purple colour.


----------------------

I connected the base of the lamp to the white outlet of my high voltage supply, that gives - 1,5 kv till - 15 kV, conected this with two restances of 250 MΩ to earth, and took the voltage
from between these two resistances, to get - 0,75 kV till - 7,5 kV.

Droom17.11.htm

Results: only a bluish glow, like before when only the two rings charged.

----------------------

I connected the base of the lamp directly to the white oultet of the high voltage, without resistances.



The shutter stayed 30 seconds open, too long, the picture is too bright. But I think I saw a cathode ray (like before in  Droom17.7.htm )
When the high voltage switched on, the pressure increased till a very high value (vacuum meter influenced by electric field? The glycerine meter did not change..)
After closing valve both the glycerine vacuum meter as the digital vacuum meter go up, vacuum was leaking again.
It seems to be, that when the high voltage output (the black or the white outpute line) is directly connected to the lamp/filament, the vacuum breaks.
---------------------

Mounted a used hose (blue) with a small incandescent lamp/filament (this vacuum system/hose was leaking a little bit)
Connected the base of the lamp again directly to the white output of the high voltage.

2026-02-12 Experiment.mp4

Measured the current between the mid ring (not connected) and the earthed test cable with my multimeter: 8,7 .. 11 μA  in pos-. 9 (output hv supply - 30 kV) , with the two outer rings charged with this output.
In position 8 measured 0,1 .. 0,2  μA. The electron current is from the mid ring to the earth. ((black connection multimeter connected to the mid ring, red connection to the earth).
It seems to be that the mid ring is charged negatively through the air , but only when the high voltage is at maximum (- 30 kV).
By the way, in position 1, the current through the 500 M
Ω resistance to earth was 2,3 μA

---------------------------------------------------

Made a new hose + cap again


With a  filament  coated with barium oxide emitter paste. This filament is 6,5 cm from the centre of the first ring.


When a spark is made between the grounded test cable and the mid ring, more glow is seen, when the mid ring is grounded, less glow is seen

Vacuum till 33 microns.

Connected the - battery supply (blue cable) to the white output hv supply, getting half of its voltage:

According to my experience until now, the cap/vacuum hose will not deteriorate by the high voltage, because it is "protected" by the high resistance of 500 M ohm.

Lamp/filament on or off made apparently no difference.

Vacuum between 22 and 700 micron. With less then about 75 micron the glow was somewhat less bright.
When the base/filament was connected to - 14 kV  in the first etc. experiments (directly, without resistance), a clear ray/glow was seen that could be recorded directly (without a shutter time of 10, 20 or 30 s):
Now the base/filament was connected to - 6,75 kV, via a resistance of 500 M ohm, and the ray/glow is a lot dimmer.


 After I switched off the high voltage and the lamp, still some dim glow was seen, as if the residual gas was still a bit ionized and hot.

If a spark is made with the grounded test cable and the - feed of the lamp/filament (which is also connect to - 7,5 kV), then some more glow is seen, but only when there is a spark. When the grounded test cable touches the - feed, no more glow is seen.

AI: Why the spark triggers glow

When you touch a ring with your grounded cable:

  • You suddenly collapse or distort the electric field.

  • You create a rapid transient.

  • That transient accelerates free electrons already present in the gas.

  • Avalanche ionization occurs.

  • You get a brief glow discharge.

This is classic Townsend → glow discharge behavior at 10–50 micron pressure.

It is not a beam.
It is a plasma ignition.

When making a spark with a certain lenght, this glow appeared. When making a contact between the earthed test cable and the mid ring, no glow appeared.
Making a spark produced probably an varying electromagnetic field (my computer screen went also off something, when making a spark...), and I think my digital vacuum meter got damaged because of this.
Perhaps better make a kind of Faraday cage around my new digital vacuum meter, when it arrives. And not making this sparks anymore (only with a low voltage, to test).

------------------------

AI: A Wehnelt cylinder (or cap) is a critical electrode in thermionic electron guns—used in electron microscopes and cathode ray tubes—that focuses and controls the emitted electron beam. Positioned around the cathode filament, it acts as a negative, convergent electrostatic lens, condensing electron spray into a tight, intense beam ("crossover").

I made a Wehnelt cylinder.


 

The electrical scheme.

For the moment nice photos, but not producing a real electron ray from the filament.

 

16-3-2026

I placed a small ring ahead of the Wehnelt cap and connected it to a high voltage supply of + 1 kV till + 10 kV.

Here it looks that there is a faint ray coming out of the ring.

I will continue :)  (looks like in June 2026)

 

 

Droom17.htm  Droom17.1.htm  Real experiments 17.2  Droom17.3.htm   Droom7.4.htm  Droom17.5.htm .Droom17.6.htm  Droom17.7.htm  
.Droom17.8.htm  Droom17.9.htm  Droom17.10.htm  .Droom17.11.htm  .Droom17.12.htm  Droom18.htm Convert vacuum units.xlsx

 

 

 

Back to main page

Facebook
Sem-fusor.com
 

  Rinze Joustra        www.valgetal.com